


在传统消毒技术不断“堆剂量、拼功率”的今天,越来越多的工程项目开始意识到一个问题:杀得多,不等于杀得干净;功率大,也不等于长期稳定。
正是在这样的背景下,AOP Clear 1200 羟基消毒器逐渐走进高标准泳池、水上乐园、高端酒店及再生水系统的技术视野——它并不追求单一消毒手段的“极限输出”,而是通过羟基自由基(·OH)主导的高级氧化过程(AOP),实现更彻底、更持久、更低副产物风险的消毒与氧化控制。
一、从“消毒”到“彻底氧化”:AOP Clear 1200 的技术逻辑
传统的氯系、单一紫外或臭氧系统,本质上仍停留在“灭活微生物”这一层面;而 AOP Clear 1200 的设计目标,则是进一步向上延伸到:
- 彻底破坏有机污染物分子结构
- 同时处理微生物 + 有机前驱物
- 显著降低消毒副产物(DBPs)生成风险
其核心并不在于“臭氧有多高、UV有多强”,而在于系统内部持续、高效地产生羟基自由基(·OH)——这是一种氧化电位高达 2.8V 的非选择性强氧化物种,远高于:
- 氯(1.36V)
- 臭氧(2.07V)
- 过氧化氢(1.78V)
一句话总结:
AOP Clear 1200 不是在“杀”,而是在“分解”。
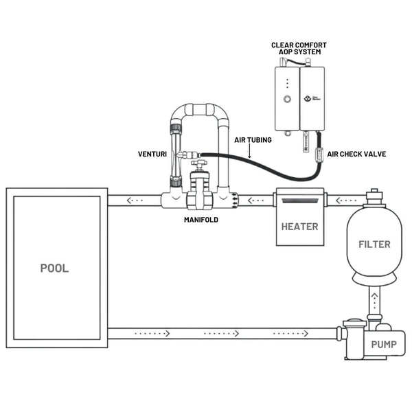
二、AOP Clear 1200 的系统构成与工作路径
从工程结构上看,AOP Clear 1200 属于集成式羟基 AOP 反应器,通常包含以下关键单元:
1️⃣ 高效紫外反应腔(UV-C / 高能段)
- 优化波段设计,专门用于触发 AOP 反应
- 不是单纯为了“UV剂量”,而是促进自由基链式反应
2️⃣ 氧化协同模块(臭氧 / 过氧化物路径)
- 在反应腔内快速生成 ·OH
- 将臭氧、H₂O₂ 等转化为更具反应活性的自由基形态
3️⃣ 水力与混合结构优化
- 确保反应区内无短流、无死角
- 自由基生成与消耗过程高度可控、可重复
4️⃣ 全封闭不锈钢反应器
- 工业级耐腐蚀设计
- 适合长期连续运行,维护周期长
三、AOP Clear 1200 的“真实能力”体现在哪?
✅ 1. 对“耐性微生物”的压倒性优势
AOP Clear 1200 对以下目标具备显著优势:
- 隐孢子虫(Cryptosporidium)
- 贾第鞭毛虫(Giardia)
- 氯胺环境下的耐药菌群
- 生物膜初期结构
羟基自由基的非选择性攻击,使其难以产生抗性。
✅ 2. 有机物与前驱物的深度降解
这正是 AOP Clear 1200 区别于“UV + 臭氧叠加方案”的关键点:
- 体味与尿素相关有机物
- 『化妆品』、护肤品残留
- 汗液、皮脂代谢物
- 氯副产物前驱体(THMs、HAAs)
结果是:
- 水体更清澈
- 氯味显著降低
- 联合氯需求下降
✅ 3. 对运行管理极其友好
在实际项目中,AOP Clear 1200 往往带来三点直接收益:
- 减少化学品投加依赖
- 降低水体“反复发浑”的概率
- 提升整体水质稳定性,而非“忽好忽坏”
四、AOP Clear 1200 的典型应用场景
🏊 高端泳池 & 会所
- 追求低氯感、低刺激
- 需要长期稳定水质体验
🌊 水上乐园 & 大流量系统
- 高有机负荷
- 高峰期水质波动剧烈
🏨 酒店 & 度假村
- 对气味、透明度、肤感要求极高
- 客诉容忍度极低
♻️ 再生水与回用系统
- 降解难处理有机物
- 改善后续膜或过滤系统运行条件
五、为什么说 AOP Clear 1200 是“工程思维”的产物?
与单一设备不同,AOP Clear 1200 更像是一个系统级工具:
- 它不替代氯,而是让氯变得更“聪明”
- 它不单纯追求杀菌率,而是整体水质风险最小化
- 它并不炫技,却在长期运行中体现价值
在越来越强调健康、安全、体验与合规的水处理时代,AOP Clear 1200 代表的是一种成熟、克制、但极具前瞻性的技术路线。
六、结语:真正“高级”的消毒,从来不是堆参数
如果说传统消毒是在“对抗污染”,
那么 AOP Clear 1200 羟基消毒器,更像是在重构水体本身的化学秩序。
它让消毒这件事,第一次真正从“杀得够不够”
走向了——
“水,是否真的被净化过。”
如果你愿意,下一步我也可以帮你:
- 把这套内容改写成官网级产品页
- 或按泳池 / 水乐园 / 再生水分别定制版本
- 甚至生成对标传统 UV / 臭氧系统的技术对比表
只要你说一声。
)
)
)
)
)
)
)
)
)
)
)
)
)
)
)
)